Yueqing Tongda Cable Power Plant ၏ ကိုယ်စားပြုထုတ်ကုန်တစ်ခုအနေဖြင့် core standardization နှင့် customization ၏ပေါင်းစပ်မှုကိုထည့်သွင်းထားသော Gas Water Heater နှင့် Gas Stove Micro Switch switch ကို "တည်ငြိမ်မှု၊ ယုံကြည်စိတ်ချရမှု၊ နှင့် မြင်ကွင်းလိုက်ဖက်မှု" ၏ အဓိကအခြေခံမူများဖြင့် ဒီဇိုင်းရေးဆွဲထားသည်။ ၎င်းသည် ကုမ္ပဏီ၏ 35 နှစ်ကြာ ခလုတ်ထုတ်လုပ်မှု ကျွမ်းကျင်မှုကို ပေါင်းစပ်ထားပြီး လျှပ်စစ်စွမ်းဆောင်မှု၊ အကာအကွယ်အဆင့်များနှင့် အသုံးပြုသူ အတွေ့အကြုံများတွင် ပိုမိုကောင်းမွန်အောင်လုပ်ဆောင်မှုများစွာကို ရရှိခဲ့သည်။ ခလုတ်သည် စမတ်အိမ်သုံးလျှပ်စစ်ဖြန့်ဖြူးမှု၊ စက်မှုအရန်ပစ္စည်းကိရိယာများနှင့် ဆေးဘက်ဆိုင်ရာကိရိယာငယ်များကဲ့သို့သော အခြေအနေများတွင် ကျယ်ကျယ်ပြန့်ပြန့်အသုံးပြုနိုင်ပြီး ၎င်းကို စိတ်ကြိုက်ပြုလုပ်နိုင်သည့် အလားအလာနှင့် universality ကို ချိန်ခွင်လျှာညှိပေးသည့် ဆားကစ်ထိန်းချုပ်မှုအစိတ်အပိုင်းတစ်ခုဖြစ်လာသည်။
Micro Switchနိဒါန်း
HK-04G-L ခလုတ်သည် သော့ပါရာမီတာများအတွက် လက်တွေ့ကျသော လိုအပ်ချက်များကို အာရုံစိုက်ပြီး အမျိုးမျိုးသော အခြေအနေများအတွက် အခြေခံထိန်းချုပ်မှုစံနှုန်းများနှင့် ကိုက်ညီသည်။ အဆက်အသွယ်များကို ငွေသံဖြူအလွိုင်းဖြင့် ပြုလုပ်ထားပြီး ≤8mΩ ဖြင့် တိကျသော ဂဟေဆော်မှုဖြင့် ဆောင်ရွက်ပါသည်။ ၎င်းသည် 10A-16A AC လက်ရှိ (သတ်မှတ်ထားသော ဗို့အား 250V AC) ကို ယုံကြည်စိတ်ချစွာ သယ်ဆောင်နိုင်ပြီး အိမ်သုံးနှင့် အသေးစားစက်မှုလုပ်ငန်းသုံးစက်ပစ္စည်းအများစု၏ ပါဝါလိုအပ်ချက်များအတွက် သင့်လျော်ပြီး လက်ရှိဝန်ပိုလျှံမှုကြောင့် ဖြစ်ပေါ်လာသော အဆက်အသွယ်ပူလွန်ကဲခြင်း သို့မဟုတ် တိုက်စားမှုပြဿနာများကို ထိရောက်စွာကာကွယ်ပေးနိုင်သည်။
အစိုင်ယာနှင့် သက်တမ်း စွမ်းဆောင်ရည်သည် အညီအမျှ ယုံကြည်နိုင်သည်- ၎င်းသည် 1.3-1.6mm နှင့် 1.5-3N အတွင်း ထိန်းချုပ်ထားသော လည်ပတ်အားနှင့်အတူ rocker-type trigger ဖွဲ့စည်းပုံကို အသုံးပြုထားသည်။ အသက်သွင်းခြင်းဆိုင်ရာ တုံ့ပြန်ချက်သည် ရှင်းလင်းပြီး ချောမွေ့သောကြောင့် နေ့စဉ်အသုံးပြုမှုတွင် "တုံ့ပြန်မှုမရှိသော နှိပ်ခြင်း" ကို ခံစားရဖွယ်မရှိပါ။ စက်၏သက်တမ်းသည် 80,000 pressing cycles သို့ရောက်ရှိပြီး လျှပ်စစ်သက်တမ်းသည် 50,000 cycles ကိုကျော်လွန်ပါသည်။ ရေခဲသေတ္တာများ၊ ပန်ကာငယ်များနှင့် လုပ်ငန်းသုံး ပရင်တာများကဲ့သို့သော ကြိမ်နှုန်းမြင့်အသုံးပြုသည့်ကိရိယာများတွင်၊ ၎င်းသည် တည်ငြိမ်သောလည်ပတ်မှုကို ၃-၅ နှစ်အထိ ရရှိနိုင်သည်။
ပတ်ဝန်းကျင် လိုက်လျောညီထွေရှိမှု သမားရိုးကျ မြင်ကွင်းလိုအပ်ချက်များနှင့် ကိုက်ညီသည်- ထုတ်ကုန်သည် အပူချိန် အကွာအဝေး -30°C မှ 80°C အတွင်း လည်ပတ်နိုင်ပြီး၊ မြောက်ပိုင်းဆောင်းရာသီတွင် အပူချိန်နိမ့်ကျမှုနှင့် နွေရာသီတွင် အပူငွေ့ပျံနိုင်သော အခြေအနေများကို ကိုင်တွယ်နိုင်စွမ်းရှိသည်။ insulation resistance သည် ≥50MΩ (500VDC) ဖြစ်ပြီး terminal voltage သည် 800V AC သို့ရောက်ရှိပြီး အိမ်သုံးနှင့် လုပ်ငန်းသုံးအတွက် ဘေးကင်းသော လျှပ်စစ်စံနှုန်းများနှင့် ကိုက်ညီပါသည်။ ထို့အပြင်၊ ဘူးသည် မီးမလောင်နိုင်သော ABS ပစ္စည်း (UL94 V-1 နှင့် ကိုက်ညီသည်)၊ ဆားကစ်ရှော့ကြောင့်ဖြစ်ရသည့် ဘေးကင်းမှုအန္တရာယ်များကို လျှော့ချပေးပါသည်။
Micro Switchလျှောက်လွှာ
စမတ်အိမ်နှင့် အိမ်သုံးအခြေအနေများတွင်၊ ၎င်း၏ကျစ်လျစ်သောအရွယ်အစား (ခန့်မှန်းခြေအားဖြင့် 20×15×10mm၊ L×W×H) ရှိသော HK-04G-L ကို စမတ်ဖြန့်ဝေသည့်သေတ္တာများ၊ နံရံတွင်တပ်ဆင်ထားသော ခြေစွပ်များနှင့် စက်ပစ္စည်းထိန်းချုပ်မှုအကန့်ငယ်များတွင် အလွယ်တကူပေါင်းစပ်နိုင်သည်။ လက်ရှိတွင် ၎င်းသည် အလင်းရောင်ထိန်းချုပ်မှုနှင့် စက်ပစ္စည်းပါဝါပြောင်းခြင်းကဲ့သို့သော လုပ်ဆောင်ချက်များအတွက် ပြည်တွင်းစမတ်အိမ်အမှတ်တံဆိပ်အများအပြားက အသုံးပြုသည့် အစိတ်အပိုင်းတစ်ခုဖြစ်လာသည်။ ၎င်းတွင်တပ်ဆင်ထားသောထုတ်ကုန်များ၏ပျက်ကွက်မှုနှုန်းသည်ပုံမှန်ခလုတ်များထက် 40% နိမ့်သည်ဟုအမှတ်တံဆိပ်တစ်ခုကဖော်ပြသည်။
အသေးစားစက်မှုလုပ်ငန်းနှင့် စီးပွားဖြစ်အခြေအနေများတွင်၊ ထုတ်ကုန်သည် အသေးစား conveyor စက်များ၊ လုပ်ငန်းသုံး ကော်ဖီစက်များ၊ ရုံးပရင်တာများနှင့် အခြားစက်ပစ္စည်းများ၏ ပါဝါထိန်းချုပ်မှုအတွက် သင့်လျော်သည်။ terminal ချိတ်ဆက်မှုတည်ဆောက်ပုံအား ပိုမိုကောင်းမွန်အောင်ပြုလုပ်ခြင်းဖြင့်၊ ၎င်းသည် လျင်မြန်သောဝိုင်ယာကြိုးတပ်ဆင်ခြင်းကို ပံ့ပိုးပေးကာ စက်ပစ္စည်းတပ်ဆင်မှုစွမ်းဆောင်ရည်ကို မြှင့်တင်ပေးပါသည်။ ယခင်က၊ terminal အကွာအဝေးကို ချိန်ညှိခြင်းဖြင့် စီးပွားဖြစ် စက်သုံးပစ္စည်းထုတ်လုပ်သူအတွက် စိတ်ကြိုက်ဗားရှင်းတစ်ခုသည် ၎င်းတို့၏စက်ပစ္စည်းများ၏ ကျစ်လစ်သောအတွင်းပိုင်းဝါယာကြိုးလိုအပ်ချက်များနှင့် ကိုက်ညီပြီး တပ်ဆင်မှုစွမ်းဆောင်ရည် 25% တိုးတက်စေပါသည်။
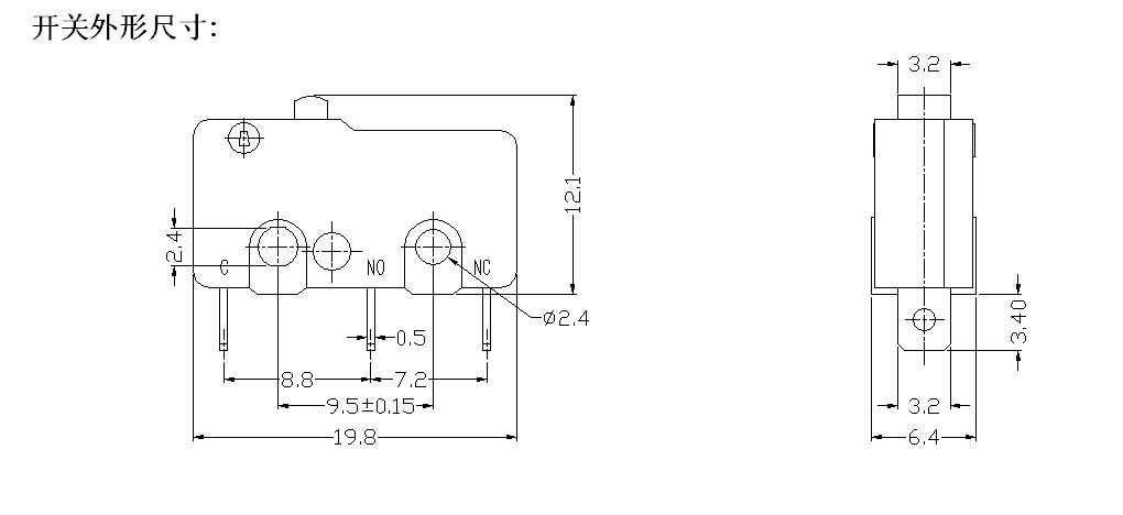
Micro Switch သတ်မှတ်ချက်
| နည်းပညာဆိုင်ရာ လက္ခဏာရပ်များကို ပြောင်းပါ- | |||
| ITEM | နည်းပညာဆိုင်ရာ ကန့်သတ်ချက်များ | တန်ဖိုး | |
| 1 | လျှပ်စစ်အဆင့်သတ်မှတ်ချက် | 5(2)A 125V/250VAC 10(3)125V/250VAC | |
| 2 | ဆက်သွယ်ရန် ခုခံမှု | ≤50mΩ ကနဦးတန်ဖိုး | |
| 3 | လျှပ်ကာ ခုခံမှု | ≥100MΩ (500VDC) | |
| 4 |
Dielectric ဓာတ်အား |
အကြား မချိတ်ဆက်ထားသော terminals များ |
500V/0.5mA/60S |
| ဂိတ်များကြား သတ္တုဘောင် |
1500V/0.5mA/60S | ||
| 5 | လျှပ်စစ်ဘဝ | ≥10000 သံသရာ | |
| 6 | စက်ပိုင်းဆိုင်ရာဘဝ | ≥100000 သံသရာ | |
| 7 | လည်ပတ်အပူချိန် | -25~125 ℃ | |
| 8 | Operating Frequency | လျှပ်စစ် : 15 ပတ် စက်ယန္တရား : 60 စက်ဘီး |
|
| 9 | Vibration Proof | တုန်ခါမှုအကြိမ်ရေ: 10 ~ 55HZ; ပမာဏ : 1.5mm; လမ်းညွှန်သုံးခု : 1H |
|
| 10 | Solder စွမ်းရည် 80% ကျော်နှစ်မြုပ်အစိတ်အပိုင်း ဂဟေဖြင့် ဖုံးအုပ်ထားရမည်။ |
ဂဟေအပူချိန် : 235 ± 5 ℃ နှစ်မြှုပ်ချိန်: 2 ~ 3 စက္ကန့် |
|
| 11 | Solder အပူခံနိုင်ရည် | Dip Soldering : 260±5 ℃ 5±1S Manual Soldering : 300±5 ℃ 2~3S |
|
| 12 | ဘေးကင်းရေးခွင့်ပြုချက် | UL၊ CSA၊ VDE၊ ENEC၊ CE | |
| 13 | စမ်းသပ်မှုအခြေအနေများ | ပတ်ဝန်းကျင် အပူချိန် : 20 ± 5 ℃ နှိုင်းရစိုထိုင်းဆ: 65±5%RH လေဖိအား 86 ~ 106KPa |
|
Tongda Wire လျှပ်စစ် Micro USB Inline Power Switch အသေးစိတ်

