အိမ် > ထုတ်ကုန်များ > Micro Switch > မီးခိုးလျှပ်စစ်သံလိုက် Valve Water Heater အပူချိန်ထိန်းကိရိယာ Water Tank Switch
မီးခိုးလျှပ်စစ်သံလိုက် Valve Water Heater အပူချိန်ထိန်းကိရိယာ Water Tank Switch

မီးခိုးလျှပ်စစ်သံလိုက် Valve Water Heater အပူချိန်ထိန်းကိရိယာ Water Tank Switch

Yueqing Tongda Wire Electric Factory မှ ဂန္ထဝင်စီးရီးထုတ်ကုန်တစ်ခုအနေဖြင့် ယေဘူယျအသုံးပြုမှုအခြေအနေများကိုပစ်မှတ်ထားသည့် Ignition Electromagnetic Valve Water Heater Thermostat Water Tank Switch စီးရီးခလုတ်များကို 'တည်ငြိမ်မှုမြင့်မားခြင်း၊ ကျယ်ပြန့်စွာ တွဲဖက်အသုံးပြုနိုင်ခြင်းနှင့် ကုန်ကျစရိတ်သက်သာခြင်း' တို့ကို အဓိကထား၍ ဒီဇိုင်းထုတ်ထားပါသည်။ ကုမ္ပဏီ၏ 38 နှစ်ကြာ ခလုတ်ထုတ်လုပ်ခြင်းဆိုင်ရာ ကျွမ်းကျင်မှုကို ပေါင်းစပ်ခြင်းဖြင့် ၎င်းတို့သည် ပင်မရေစီးကြောင်း အစပျိုးခြင်း အမျိုးအစားနှစ်မျိုးဖြစ်သည့် rocker နှင့် button တို့ကို အကျုံးဝင်ပါသည်။ ၎င်းတို့သည် စမတ်အိမ်များ၊ လုပ်ငန်းသုံးပစ္စည်းများနှင့် အသေးစားစက်မှုလုပ်ငန်းသုံးပစ္စည်းများအတွက် circuit control လိုအပ်ချက်များအတွက် သင့်လျော်ပါသည်။ ဟန်ချက်ညီသော စွမ်းဆောင်ရည်နှင့် ယုံကြည်စိတ်ချရသော အရည်အသွေးဖြင့် ၎င်းတို့သည် လုပ်ငန်းအမျိုးမျိုးရှိ အထွေထွေသုံးခလုတ်များအတွက် ဦးစားပေးရွေးချယ်မှုတစ်ခု ဖြစ်လာခဲ့သည်။

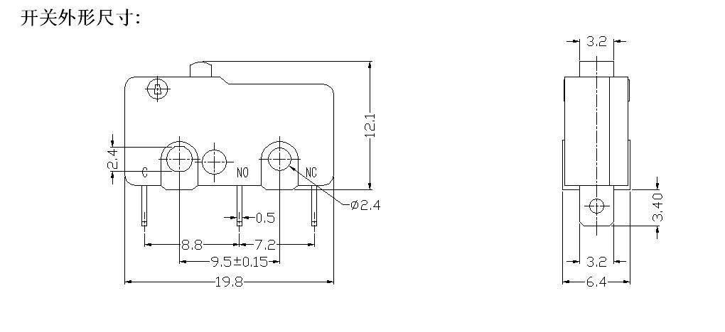
မော်ဒယ်:HK-04G-1AT-009

စုံစမ်းမေးမြန်းရန်ပေးပို့ပါ။

ကုန်ပစ္စည်းအကြောင်းအရာ

WeiPENG®Ignition Electromagnetic Valve Water Heater Thermostat Water Tank Switch သည် ထိပ်တန်းဖြစ်သည်။ ထုတ်လုပ်rs, suppliers နှင့် တင်ပို့သူ။ 

ပြောင်းပါ။ နိဒါန်းလေလံ 


HK-04G စီးရီးများသည် လျှပ်စစ်စွမ်းဆောင်မှုဆိုင်ရာ လက်တွေ့အခြေအနေများကို အာရုံစိုက်သည်။ အဆက်အသွယ်များကို သန့်ရှင်းမြင့်မြတ်သော ငွေသွပ်အလွိုင်းဖြင့် ပြုလုပ်ထားပြီး တိကျသော ဂဟေနည်းပညာဖြင့် လုပ်ဆောင်သည်။ ကနဦးဆက်သွယ်မှုခုခံမှုသည် ≤8mΩဖြစ်ပြီး ၎င်းတို့သည် 10A-16A AC လက်ရှိ (သတ်မှတ်ထားသော ဗို့အား 250V AC) ကို ယုံကြည်စိတ်ချစွာ သယ်ဆောင်နိုင်သည်။ ၎င်းတို့သည် smart home lighting နှင့် sockets ကဲ့သို့သော ပါဝါနည်းသော စက်ပစ္စည်းများကို ထိန်းချုပ်ရုံသာမက အသေးစားစက်မှုလုပ်ငန်းသုံးပန်ကာများနှင့် လုပ်ငန်းသုံး ပရင်တာများကဲ့သို့သော ပါဝါအလယ်အလတ်စက်ပစ္စည်းများအတွက်လည်း သင့်လျော်ပါသည်။ ၎င်းသည် လက်ရှိ overload ကြောင့် ဖြစ်ပေါ်လာသော အဆက်အသွယ် အပူလွန်ကဲမှုနှင့် တိုက်စားမှုကို ထိရောက်စွာ ကာကွယ်ပေးပြီး လုံခြုံပြီး တည်ငြိမ်သော circuit conduction ကို သေချာစေသည်။


ပြောင်းပါ။ လျှောက်လွှာအဆို


1. Smart Home Scenarios- သက်တောင့်သက်သာ ထိန်းချုပ်မှု၊ Life တွင် ပေါင်းစပ်ထားသည့် HK-04G စီးရီး၊ ၎င်း၏ ကျစ်လစ်သော အရွယ်အစား (ခန့်မှန်းခြေအားဖြင့် 20×15×10mm, L×W×H) ကို စမတ်ဖြန့်ဝေသည့် သေတ္တာများ၊ နံရံကပ် စမတ်ခြေစွပ်များနှင့် စမတ်အလင်းရောင် ထိန်းချုပ်မှု panel များတွင် အလွယ်တကူ ပေါင်းစပ်နိုင်သည်။ ယခုအခါ ၎င်းသည် ပြည်တွင်းစမတ်အိမ်အမှတ်တံဆိပ်အများအပြားအတွက် ပံ့ပိုးပေးသည့် အစိတ်အပိုင်းတစ်ခု ဖြစ်လာခဲ့သည်။ ဥပမာအားဖြင့်၊ ဤစီးရီး၏ rocker switch နှင့်အတူ အချို့သောအမှတ်တံဆိပ်၏ စမတ်ပေါက်ပေါက်ကို အသုံးပြုသူများသည် ၎င်းကိုနှိပ်ခြင်းဖြင့် ပါဝါကို လျင်မြန်စွာ အဖွင့်အပိတ်လုပ်နိုင်ပါသည်။ APP အဝေးထိန်းခလုတ်ဖြင့် ပေါင်းစပ်ထားသောကြောင့် "local + remote" ၏ dual control mode ကို ရရှိပြီး ထုတ်ကုန်ပျက်ကွက်မှုနှုန်းကို သမားရိုးကျ ခလုတ်များနှင့် နှိုင်းယှဉ်ပါက 40% လျော့ကျသွားကာ သုံးစွဲသူအတွေ့အကြုံကို မြှင့်တင်ပေးပါသည်။

2. ကူးသန်းရောင်းဝယ်ရေးနှင့် အသေးစားစက်မှုလုပ်ငန်းဆိုင်ရာ အခြေအနေများ- ထိရောက်သော လိုက်လျောညီထွေဖြစ်အောင်၊ အာမခံထားသော လုပ်ဆောင်ချက်

လုပ်ငန်းသုံးပစ္စည်း- လုပ်ငန်းသုံးကော်ဖီစက်များ၊ ငွေသားစာရင်းများနှင့် ပရင်တာများ၏ ပါဝါထိန်းချုပ်မှုအတွက် လိုက်လျောညီထွေဖြစ်အောင် ပြုလုပ်ထားသော terminal connection structures သည် အမြန်ဝါယာကြိုးတပ်ဆင်ခြင်းကို ပံ့ပိုးပေးသည့် အကောင်းဆုံးသော terminal connection structures များဖြစ်သည်။ ဆိုင်ခွဲကော်ဖီဆိုင်တွင် အသုတ်လိုက်လျှောက်လွှာတင်ပြီးနောက်၊ စက်တပ်ဆင်မှုစွမ်းဆောင်ရည် 25% တိုးလာကာ ရေရှည်အသုံးပြုလာသည်နှင့်အမျှ ခလုတ်ချို့ယွင်းမှုကြောင့် စက်ရပ်သွားသည့် ပြဿနာများမရှိပေ။

အသေးစားစက်မှုလုပ်ငန်း- အသေးစား conveyor စက်ကိရိယာများနှင့် အလုပ်ရုံ မီးအလင်းရောင်များ၏ circuit control အတွက် အသုံးပြုသည်။ မီးမထိန်းနိုင်သော ဘူးခွံနှင့် တည်ငြိမ်လျှပ်စစ်စွမ်းဆောင်မှုတို့သည် အလုပ်ရုံများတွင် အပျော့စားဖုန်မှုန့်ပတ်ဝန်းကျင်များကို ကိုင်တွယ်ဖြေရှင်းနိုင်ပါသည်။ အချို့သော အီလက်ထရွန်နစ်ပစ္စည်းများ ပြုပြင်ထုတ်လုပ်သည့် စက်ရုံတစ်ရုံသည် ၎င်းအား ခလုတ်များ၏ စွမ်းဆောင်ရည် ကျဆင်းခြင်းမရှိဘဲ 18 လကြာ အသုံးပြုခဲ့ပြီး ထုတ်လုပ်မှုလိုင်း၏ တည်ငြိမ်သောလည်ပတ်မှုကို သေချာစေသည်။


ပြောင်းပါ။ အသေးစိတ်



Hot Tags: မီးပွားလျှပ်စစ်သံလိုက် Valve Water Heater Thermostat Water Tank Switch၊ တရုတ်၊ ထုတ်လုပ်သူများ၊ ရောင်းချသူများ၊ လက်ကား၊ စက်ရုံ၊ စျေးနှုန်း
ဆက်စပ်အမျိုးအစား
စုံစမ်းမေးမြန်းရန်ပေးပို့ပါ။
ကျေးဇူးပြု၍ အောက်ပါပုံစံဖြင့် သင်၏စုံစမ်းမေးမြန်းမှုကို အခမဲ့ပေးပါ။ 24 နာရီအတွင်း သင့်အား အကြောင်းပြန်ပါမည်။
X
သင့်အား ပိုမိုကောင်းမွန်သောကြည့်ရှုမှုအတွေ့အကြုံကို ပေးဆောင်ရန်၊ ဆိုက်အသွားအလာကို ပိုင်းခြားစိတ်ဖြာပြီး အကြောင်းအရာကို ပုဂ္ဂိုလ်ရေးသီးသန့်ပြုလုပ်ရန် ကျွန်ုပ်တို့သည် ကွတ်ကီးများကို အသုံးပြုပါသည်။ ဤဆိုက်ကိုအသုံးပြုခြင်းဖြင့် ကျွန်ုပ်တို့၏ cookies အသုံးပြုမှုကို သင်သဘောတူပါသည်။ ကိုယ်ရေးအချက်အလက်မူဝါဒ
ငြင်းပယ်ပါ။ လက်ခံပါတယ်။