လွတ်လပ်သော Dual-Pole Point Limit Travel switch သည်စက်မှုလှုပ်ရှားမှုအားဖြင့်အစပျိုးသည့်အလိုအလျောက်ထိန်းချုပ်မှုအစိတ်အပိုင်းတစ်ခုဖြစ်သည်။ ၎င်း၏အဓိကလုပ်ဆောင်ချက်သည် circuit များဖွင့်လှစ်ခြင်းနှင့်ပိတ်ခြင်းကိုအစပြုခြင်း, ပိတ်ခြင်း, ၎င်းသည်မသန့်ရှင်းသော 'လုံခြုံမှုကင်းသော Sentinel' နှင့်စက်မှုလုပ်ငန်းမော်တော်ယာဉ်များနှင့် ElectromeComechanical ပစ္စည်းကိရိယာများရှိ 'Action Commander' ဖြစ်သည်။
စက်ခလုတ် မိတ်ဆက်ပေးနေ၏
Travel switch (ကန့်သတ်ခလုတ်ဟုလည်းလူသိများသည်) သည်စက်မှုရွေ့လျားမှုဖြင့်အစပျိုးသည့်အလိုအလျောက်ထိန်းချုပ်မှုအစိတ်အပိုင်းတစ်ခုဖြစ်သည်။ ၎င်း၏အဓိကလုပ်ဆောင်ချက်သည် circuit များဖွင့်လှစ်ခြင်းနှင့်ပိတ်ခြင်းကိုအစပြုခြင်း, ပိတ်ခြင်း, ၎င်းသည်မသန့်ရှင်းသော 'လုံခြုံမှုကင်းသော Sentinel' နှင့်စက်မှုလုပ်ငန်းမော်တော်ယာဉ်များနှင့် ElectromeComechanical ပစ္စည်းကိရိယာများရှိ 'Action Commander' ဖြစ်သည်။
စက်ခလုတ် ထူးခြားသောကိုယ်ပိုင်ကတကေြာ်
အိမ်အသုံးအဆောင်ပစ္စည်းများနှင့်စမတ်အိမ်တွင်းလျှောက်လွှာ -
အဝတ်လျှော်စက်:ရှေ့တွင်တင်ထားသောအဝတ်လျှော်စက်၏တံခါးပေါ်တွင်ကန့်သတ်ခလုတ်ကိုတပ်ဆင်ထားသည်။ တံခါးလုံးလုံးဝပိတ်လိုက်သည့်အခါပစ္စည်းကိုသာစတင်ပါလိမ့်မည်။
ရေခဲသေတ္တာ / မီးဖို:ရေခဲသေတ္တာတံခါးကိုပိတ်လိုက်သည့်အခါပြောင်းခြင်းသည်အတွင်းပိုင်းအလင်းကိုပိတ်ရန်လှုံ့ဆော်ပေးသည်။ အပြန်အလှန်အားဖြင့်မီးဖိုတံခါးကိုလုံလုံခြုံခြုံမအောင်မြင်ပါကအပူယိုစိမ့်မှုကိုကာကွယ်ရန် switch သည်အပူပေးသောဒြပ်စင်များသို့လျှပ်စစ်ဓာတ်အားပြတ်တောက်လိမ့်မည်။
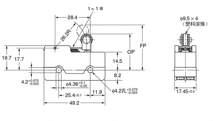
စက်ခလုတ် အသေးစိတ်
