LS သည်အရည်အသွေးမြင့်ကန့်သတ် stroke switch သည်စက်မှုလှုပ်ရှားမှုအားဖြင့်အစပျိုးသည့်အလိုအလျောက်ထိန်းချုပ်မှုအစိတ်အပိုင်းတစ်ခုဖြစ်သည်။ ၎င်း၏အဓိကလုပ်ဆောင်ချက်သည် circuit များဖွင့်လှစ်ခြင်းနှင့်ပိတ်ခြင်းကိုအစပြုခြင်း, ပိတ်ခြင်း, ၎င်းသည်မသန့်ရှင်းသော 'လုံခြုံမှုကင်းသော Sentinel' နှင့်စက်မှုလုပ်ငန်းမော်တော်ယာဉ်များနှင့် ElectromeComechanical ပစ္စည်းကိရိယာများရှိ 'Action Commander' ဖြစ်သည်။
စက်ခလုတ် မိတ်ဆက်ပေးနေ၏
Travel switch (ကန့်သတ်ခလုတ်ဟုလည်းလူသိများသည်) သည်စက်မှုရွေ့လျားမှုဖြင့်အစပျိုးသည့်အလိုအလျောက်ထိန်းချုပ်မှုအစိတ်အပိုင်းတစ်ခုဖြစ်သည်။ ၎င်း၏အဓိကလုပ်ဆောင်ချက်သည် circuit များဖွင့်လှစ်ခြင်းနှင့်ပိတ်ခြင်းကိုအစပြုခြင်း, ပိတ်ခြင်း, ၎င်းသည်မသန့်ရှင်းသော 'လုံခြုံမှုကင်းသော Sentinel' နှင့်စက်မှုလုပ်ငန်းမော်တော်ယာဉ်များနှင့် ElectromeComechanical ပစ္စည်းကိရိယာများရှိ 'Action Commander' ဖြစ်သည်။
စက်ခလုတ် ထူးခြားသောကိုယ်ပိုင်ကတကေြာ်
COLICEDOR BLT System: Limit Switches ကိုအွန်လိုင်းပေါ်မှစတင် / အဆုံးမှတ်များတွင်တပ်ဆင်ထားသည်။ သတ်မှတ်ထားသောအနေအထားသို့သယ်ယူပို့ဆောင်ရေးကိုသယ်ယူပို့ဆောင်ရေးကိုသယ်ယူပို့ဆောင်သည့်အခါ switch သည် changice account နှင့်ညှိနှိုင်းဆောင်ရွက်ရန်စက်ရုပ်လက်မောင်းနှင့်ညှိနှိုင်းခြင်းနှင့်ညှိနှိုင်းဆောင်ရွက်ရန်စက်ရုပ်လက်မောင်းနှင့်ညှိနှိုင်းရန် switch သည် switch ကိုစတင်ခဲ့သည်။
Assembly Line: သူတို့ကအလုပ်ခွင်တစ်ခုမှာမှန်ကန်သောအနေအထားတွင်ရှိမ်ားကိုရှာဖွေတွေ့ရှိရန်အသုံးပြုသည်။ ဥပမာအားဖြင့်, အိမ်သုံးပစ္စည်းတပ်ဆင်မှုလိုင်းတွင်အပြင်ဘက် Shell သည် The Outer Shell သည်ဝက်အူတင်းများသို့ရွေ့လျားသွားသောအခါ switch သည်တင်းကျပ်သောစက်၏ startup ကိုဖြစ်ပေါ်စေသည်, လုပ်ငန်းစဉ်အဆင့်များအကြားတိကျသောညှိနှိုင်းဆောင်ရွက်မှုကိုသေချာစေသည်။
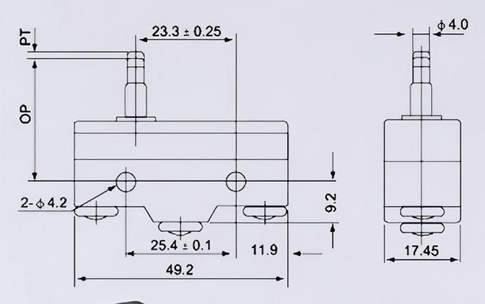
စက်ခလုတ် အသေးစိတ်
