Plastic Magnetic Micro Switch သည် သံလိုက်စက်ကွင်း အချက်ပြမှုများမှတစ်ဆင့် ဆားကစ်တစ်ခု၏ အဖွင့်အပိတ်ကို ထိန်းချုပ်သည့် ခလုတ်တစ်ခုဖြစ်သည်။ ၎င်း၏အဓိကအင်္ဂါရပ်မှာ အဆက်အသွယ်မရှိသောလည်ပတ်ဆောင်ရွက်မှုဖြစ်သောကြောင့် လျင်မြန်သောတုံ့ပြန်မှု၊ တာရှည်ခံဝန်ဆောင်မှုနှင့် မြင့်မားသောယုံကြည်စိတ်ချရမှု၏အားသာချက်များရှိပြီး စက်မှုအလိုအလျောက်စနစ်၊ လုံခြုံရေး၊ မော်တော်ယာဥ်နှင့် စမတ်အိမ်နယ်ပယ်များတွင် တွင်ကျယ်စွာအသုံးပြုထားသည်။
Micro Switch မိတ်ဆက်
သံလိုက်ခလုတ်သည် သံလိုက်စက်ကွင်း အချက်ပြမှုများမှတစ်ဆင့် ဆားကစ်တစ်ခု၏ အဖွင့်အပိတ်ကို ထိန်းချုပ်သည့် ခလုတ်တစ်ခုဖြစ်သည်။ ၎င်း၏အဓိကအင်္ဂါရပ်မှာ အဆက်အသွယ်မရှိသောလည်ပတ်ဆောင်ရွက်မှုဖြစ်သောကြောင့် လျင်မြန်သောတုံ့ပြန်မှု၊ တာရှည်ခံဝန်ဆောင်မှုနှင့် မြင့်မားသောယုံကြည်စိတ်ချရမှု၏အားသာချက်များရှိပြီး စက်မှုအလိုအလျောက်စနစ်၊ လုံခြုံရေး၊ မော်တော်ယာဥ်နှင့် စမတ်အိမ်နယ်ပယ်များတွင် တွင်ကျယ်စွာအသုံးပြုထားသည်။
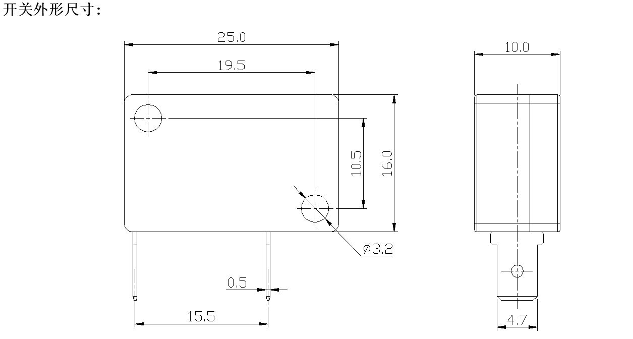
Micro Switch Parameter (သတ်မှတ်ချက်)
| နည်းပညာဆိုင်ရာ လက္ခဏာရပ်များကို ပြောင်းပါ- | |||
| ITEM | နည်းပညာဆိုင်ရာ ကန့်သတ်ချက်များ | တန်ဖိုး | |
| 1 | လျှပ်စစ်အဆင့်သတ်မှတ်ချက် | 5(2)A/10A/16(3)A/21(8)A 250VAC | |
| 2 | ဆက်သွယ်ရန် ခုခံမှု | ≤30mΩ ကနဦးတန်ဖိုး | |
| 3 | လျှပ်ကာ ခုခံမှု | ≥100MΩ (500VDC) | |
| 4 |
Dielectric ဓာတ်အား |
အကြား မချိတ်ဆက်ထားသော terminals များ |
1000V/0.5mA/60S |
|
ဂိတ်များကြား သတ္တုဘောင် |
3000V/0.5mA/60S | ||
| 5 | လျှပ်စစ်ဘဝ | ≥50000 သံသရာ | |
| 6 | စက်ပိုင်းဆိုင်ရာဘဝ | ≥1000000 သံသရာ | |
| 7 | လည်ပတ်အပူချိန် | -25~125 ℃ | |
| 8 | Operating Frequency |
လျှပ်စစ် : 15 ပတ် စက်ယန္တရား : 60 စက်ဝန်း |
|
| 9 | Vibration Proof |
တုန်ခါမှုအကြိမ်ရေ : 10 ~ 55HZ; ပမာဏ : 1.5mm; လမ်းညွှန်သုံးခု : 1H |
|
| 10 |
Solder စွမ်းရည် 80% ကျော်နှစ်မြုပ်အစိတ်အပိုင်း ဂဟေဖြင့် ဖုံးအုပ်ထားရမည်။ |
ဂဟေအပူချိန် : 235 ± 5 ℃ နှစ်မြှုပ်ချိန်: 2 ~ 3 စက္ကန့် |
|
| 11 | Solder အပူခံနိုင်ရည် |
Dip Soldering : 260±5 ℃ 5±1S Manual Soldering : 300±5℃ 2~3S |
|
| 12 | ဘေးကင်းရေးခွင့်ပြုချက် | UL၊ CSA၊ VDE၊ ENEC၊ TUV၊ CE၊ KC၊ CQC | |
| 13 | စမ်းသပ်မှုအခြေအနေများ |
ပတ်ဝန်းကျင် အပူချိန် : 20 ± 5 ℃ နှိုင်းရစိုထိုင်းဆ: 65±5%RH လေဖိအား 86 ~ 106KPa |
|
Micro Switch Feature နှင့် Application
Micro Switch အသေးစိတ်များ
