အိမ် > ထုတ်ကုန်များ > ရေစိုခံ Micro Switch > ရေစိုခံ Micro Switch Ultra Compact
ရေစိုခံ Micro Switch Ultra Compact
  • ရေစိုခံ Micro Switch Ultra Compactရေစိုခံ Micro Switch Ultra Compact

ရေစိုခံ Micro Switch Ultra Compact

ရေစိုခံ Micro Switch Ultra Compact သည်အဆက်အသွယ်ကြားကာလနှင့်အမြန်လုပ်ဆောင်မှုယန္တရားတစ်ခုရှိပြီးသတ်မှတ်ထားသောလေဖြတ်ခြင်းနှင့်အင်အားသုံးခြင်းဖြင့်လုပ်ဆောင်မှုကိုလုပ်ဆောင်ရန်ယန္တရားကိုအခွံဖြင့်ဖုံးအုပ်ထားသည်။

မော်ဒယ်:FSK-20-586

စုံစမ်းမေးမြန်းရန်ပေးပို့ပါ။

ကုန်ပစ္စည်းအကြောင်းအရာ

Weipeng®တစ် ဦး ဦး ဆောင်သည်ကေြှထည် ပြုလုပ်ရူပီးiers နှင့်ရေစိုခံ micro switch ကို ultra Compact ၏ IERS နှင့်တင်ပို့သူ

အထွက်ပစ္စည်းများ မိတ်ဆက်ပေးနေ၏ 


ဤတံဆိပ်ခတ်ထားသောရေစိုခံ Micro switch သည် Smart Homes တွင်ထိန်းချုပ်ရန်ခလုတ်များအတွက်သင့်တော်သည်။ ၎င်းသည်မီးများ, ကုလားကာများ, တံခါးသော့များစသည်တို့ကိုအဝေးထိန်းထိန်းချုပ်မှုကိုနားလည်သဘောပေါက်နိုင်သည်။ရေစိုခံ micro switches များကိုများသောအားဖြင့်ဆူညံသံနည်းသောကြောင့်ဒီဇိုင်းပြုလုပ်ထားသည်။ ရေစိုခံသည့် switch ကိုအသုံးပြုပြီးရေစိုခံသည့် switch ကိုအသုံးပြုခြင်း,ရေစိုခံ switch ကိုတုန်ခါမှုသို့မဟုတ်တိုက်မိခြင်းသို့မဟုတ်တိုက်မိခြင်းကိုရှောင်ပါ။ပျက်စီးနေသောရေစိုခံသည့် switch ကိုမသုံးပါနှင့်, အချိန်မီအစားထိုးသင့်သည်။ဆေးဘက်ဆိုင်ရာပစ္စည်းကိရိယာ Micro Switch Mini သည်ပုံမှန်မဟုတ်သောသို့မဟုတ်ချွတ်ယွင်းနေပါက၎င်းကိုချက်ချင်းပိတ်ထားသင့်ပြီးပရော်ဖက်ရှင်နယ်ပြုပြင်ထိန်းသိမ်းမှုအကူအညီကိုရှာဖွေသင့်သည်။သင့်နိုင်ငံ၏သို့မဟုတ်ဒေသတွင်းရှိသက်ဆိုင်ရာလျှပ်စစ်ဘေးကင်းလုံခြုံရေးစည်းမျဉ်းများနှင့်စံနှုန်းများကိုလိုက်နာပါ။

ဤဗို့ rocker switch သည် doubt contact contact contact ဖွဲ့စည်းပုံ, လျင်မြန်စွာ arc arctuishing နည်းပညာနှင့် overload protection function, လုံခြုံစိတ်ချရသောစွမ်းဆောင်ရည်ကိုသေချာစေသည်။ ၎င်းတွင်စစ်တပ်၏နွေ ဦး ရာသီယန္တရားနှင့်တုန်ခါမှုနှိမ်နင်းရေးဆိုင်ရာဖွဲ့စည်းပုံတစ်ခုတပ်ဆင်ထားပြီး၎င်းအားအရည်အသွေးတွင်ယုံကြည်စိတ်ချရသောပြုလုပ်နိုင်သည်။


တန်ချိန်GDA စက်ရုံ FAQ




Q1.: သင့်စက်ရုံသို့မဟုတ်ထုတ်ကုန်များအကြောင်းစစ်ဆေးမှုရှိပါသလား။

A1: ဟုတ်ပါတယ်, ITF16949, INOO14001, ul, tuv, vde, vde, rohs,


Q2. သင်၏နမူနာပေါ်လစီသည်အဘယ်နည်း။

A2: အခမဲ့နမူနာကို 3 ရက်အတွင်းပေးနိုင်ပါသည်။ သို့သော်ဖောက်သည်မှထုတ်ပေးသင့်သည်။


Q3 ။ သင်၏ထုပ်ပိုးခြင်းဆိုင်ရာသတ်မှတ်ချက်များကဘာလဲ။

A3: ယေဘူယျအားဖြင့်ကျွန်ုပ်တို့သည်ကုန်ပစ္စည်းများကိုကြားနေသေတ္တာများနှင့်အညိုရောင်ပုံးများဖြင့်ထုပ်ပိုးခြင်း,


Q4 ။ သင့်ငွေပေးချေမှုဆိုင်ရာသတ်မှတ်ချက်များကဘာလဲ။

A4: ဘုံတွင်ငွေပမာဏနှင့်မပို့မီ 70% နှင့်မပို့မီ 70% ရှိသည်။ ငွေပမာဏ> 2000UD



အထွက်ပစ္စည်းများအသေးစိတ်အချက်အလက်

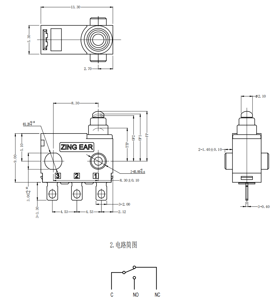
နည်းပညာပိုင်းဆိုင်ရာဝိသေသလက္ခဏာများကို switch:
အချက် နည်းပညာဆိုင်ရာ parameter အဘိုး
1 လျှပ်စစ်အဆင့်သတ်မှတ်ချက် 10VA 14V DC / 0.1A 30vdc
2 operating force ≤1.5n
6 လျှပ်စစ်ဘဝ ≥50000သံသရာ
7 စက်မှုဘဝ ≥100000သံသရာ
8 အဘယ်သူမျှမ (operating အနေအထား) 8.4 ± 0.3mm
9 NC (operating site) 8.7 ± 0.3mm
10 တုန်ခါမှုအထောက်အထား တုန်ခါမှုအကြိမ်ရေ: 10 ~ 55Hz
လွှဲခွင် - 1.5 မီလီမီတာ
သုံးလမ်းညွန်: 1h
11 Solder စွမ်းရည်: နှစ်မြှုပ်ခြင်း၏ 80% ကျော်ကျော်
Tongda Rocker Switch application
ဂဟေဆော်ခြင်းအပူချိန်: 235 ± 5 ℃
အချိန်နှစ်မြှုပ်ခြင်း 2 ~ 3s
12 ဂဟေဆော်အပူခုခံ Dip Soldering: 260 ± 5 ℃ 5 ± 1s
လက်စွဲစာအုပ် soldering: 300 ± 5 ℃ 2 ~ 3s
13 စမ်းသပ်မှုအခြေအနေများ ပတ်ဝန်းကျင်အပူချိန်: 20 ± 5 ℃
ဆွေမျိုးစိုထိုင်းဆ: 65 ± 5% RH
လေဖိအား: 86 ~ 106kpa


ထုတ်ကုန်အသေးစိတ်s




Hot Tags: ရေစိုခံ Micro Switch Ultra Compact
ဆက်စပ်အမျိုးအစား
စုံစမ်းမေးမြန်းရန်ပေးပို့ပါ။
ကျေးဇူးပြု၍ အောက်ပါပုံစံဖြင့် သင်၏စုံစမ်းမေးမြန်းမှုကို အခမဲ့ပေးပါ။ 24 နာရီအတွင်း သင့်အား အကြောင်းပြန်ပါမည်။
X
သင့်အား ပိုမိုကောင်းမွန်သောကြည့်ရှုမှုအတွေ့အကြုံကို ပေးဆောင်ရန်၊ ဆိုက်အသွားအလာကို ပိုင်းခြားစိတ်ဖြာပြီး အကြောင်းအရာကို ပုဂ္ဂိုလ်ရေးသီးသန့်ပြုလုပ်ရန် ကျွန်ုပ်တို့သည် ကွတ်ကီးများကို အသုံးပြုပါသည်။ ဤဆိုက်ကိုအသုံးပြုခြင်းဖြင့် ကျွန်ုပ်တို့၏ cookies အသုံးပြုမှုကို သင်သဘောတူပါသည်။ ကိုယ်ရေးအချက်အလက်မူဝါဒ
ငြင်းပယ်ပါ။ လက်ခံပါတယ်။