Yueqing Tongda Wire Electric Factory ၏ micro switch စီးရီး၏ စံပြစံနမူနာအနေဖြင့် Weipeng Electronic Component Lever Micro Switch သည် ၎င်း၏ အဓိကအားသာချက်များအဖြစ် "မြင့်မားသော အာရုံခံနိုင်စွမ်း၊ အလွန်ရှည်လျားသော သက်တမ်းနှင့် ဇာတ်လမ်းမျိုးစုံကို လိုက်လျောညီထွေဖြစ်အောင်" ပါရှိသည်။ ကုမ္ပဏီ၏ 35 နှစ်ကြာ ခလုတ်ထုတ်လုပ်မှု ကျွမ်းကျင်မှုကို ပေါင်းစပ်ထားသောကြောင့် ၎င်းသည် အိမ်သုံးပစ္စည်းများ၊ မော်တော်ယာဥ်အီလက်ထရွန်းနစ်၊ စက်မှုအလိုအလျောက်စနစ်နှင့် အခြားနယ်ပယ်များတွင် အဓိကထိန်းချုပ်မှုအစိတ်အပိုင်းတစ်ခုဖြစ်လာပြီး ၎င်း၏ဆက်သွယ်မှုကွာဟမှုနှင့် လျင်မြန်သောလုပ်ဆောင်ချက်ကြောင့်ဖြစ်သည်။ ၎င်း၏ စွမ်းဆောင်ရည်နှင့် ယုံကြည်စိတ်ချရမှုကို ကမ္ဘာတစ်ဝှမ်းရှိ အာဏာပိုင်အဖွဲ့အစည်းအများအပြားမှ အသိအမှတ်ပြုထားပြီး အထူးသဖြင့် စျေးကွက်တွင် ၎င်း၏ပင်မရေစီးကြောင်းအနေအထားကို အာမခံထားသည်။
Micro Switch မိတ်ဆက်
ထုတ်ကုန်သည် UL, C-UL, ENEC, VDE, CE, CB, TUV, CQC, နှင့် KC အပါအဝင် အဓိက ကမ္ဘာလုံးဆိုင်ရာ ဘေးကင်းရေး လက်မှတ်များကို ရရှိထားပြီး၊ IEC 61058 စံနှုန်းများနှင့် ကိုက်ညီပြီး ဥရောပ၊ အမေရိက၊ နှင့် အာရှ-ပစိဖိတ် ဒေသများတွင် စျေးကွက်ဝင်ရောက်ခွင့် လိုအပ်ချက်များနှင့် ကိုက်ညီပါသည်။ ကုမ္ပဏီသည် ISO9001 နှင့် IATF 16949 အရည်အသွေးစီမံခန့်ခွဲမှုစနစ် အသိအမှတ်ပြုလက်မှတ်များရရှိထားပြီး RoHS နှင့် REACH ပတ်ဝန်းကျင်ဆိုင်ရာ ညွှန်ကြားချက်များကို တင်းတင်းကျပ်ကျပ် အကောင်အထည်ဖော်ကာ ထုတ်လုပ်မှုလုပ်ငန်းစဉ်တစ်ခုလုံးကို သန့်စင်ထိန်းချုပ်မှုသေချာစေပါသည်။ အမျိုးသား တီထွင်မှုမူပိုင်ခွင့် 6 ခုနှင့် အသုံးဝင်ပုံ မော်ဒယ် မူပိုင်ခွင့် ၄၈ ခုဖြင့်၊ HK-14 စီးရီးသည် ယုံကြည်စိတ်ချရမှုနှင့် လိုက်လျောညီထွေရှိသော စက်မှုလုပ်ငန်းဆိုင်ရာ ထိပ်တန်းအဆင့်ကို ရရှိသည်။
တပ်ဆင်ခြင်းနှင့် အသုံးပြုမှု လမ်းညွှန်ချက်များ
တပ်ဆင်သည့်အခါ၊ ခလုတ်ကို မျက်နှာပြင်ညီညာသော မျက်နှာပြင်ပေါ်တွင် တပ်ဆင်ရမည်ဖြစ်ပြီး မညီညာသော မျက်နှာပြင်များ ချွတ်ယွင်းမှုကြောင့် ချို့ယွင်းချက် သို့မဟုတ် ဘူးခွံ ပျက်စီးမှုကို ကာကွယ်ရန် ပြားချပ်ချပ်ရေဆေးစက် သို့မဟုတ် စပရိန်လျှော်စက်ဖြင့် ချိတ်ထားရပါမည်။ ပတ်ဝန်းကျင်ကိုအခြေခံ၍ မော်ဒယ်များကိုရွေးချယ်ပါ- စိုစွတ်သော သို့မဟုတ် ဖုန်ထူသောအခြေအနေများအတွက်၊ အကာအကွယ်တိုးမြှင့်ရန်အတွက် အလုံပိတ်စိတ်ကြိုက်ဗားရှင်းကို အသုံးပြုရန် အကြံပြုထားသည်။ အဆက်အသွယ် ကပ်နေခြင်း၊ လုပ်ငန်းဆောင်တာ ချို့ယွင်းခြင်း သို့မဟုတ် လောင်ကျွမ်းခြင်းတို့ကို တားဆီးရန် ခလုတ် သို့မဟုတ် လှုံ့ဆော်ပေးသည့် ဆီကို မလိမ်းပါနှင့်။ သိုလှောင်မှုအတွင်း၊ ထုတ်ကုန်ကို ခြောက်သွေ့သော၊ လေဝင်လေထွက်ရှိသော နေရာတွင် ထားပါ၊ မိုး(သို့) နှင်းကျခြင်းမှ ကာကွယ်ပေးပြီး အစိတ်အပိုင်းများ အိုမင်းရင့်ရော်မှုကို ဖြစ်စေနိုင်သည့် မြင့်မားသော အပူချိန်နှင့် စိုထိုင်းဆကို ရှောင်ရှားကာ ထုတ်ကုန်သည် ၎င်း၏ မူလစွမ်းဆောင်ရည်ကို ဆက်လက်ထိန်းသိမ်းထားရန် သေချာစေပါသည်။
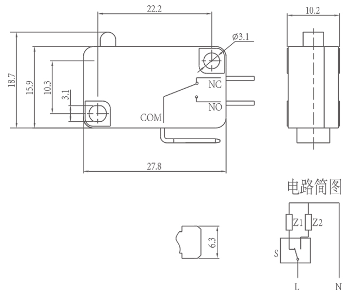
Micro Switch Parameter (သတ်မှတ်ချက်)
| နည်းပညာဆိုင်ရာ လက္ခဏာရပ်များကို ပြောင်းပါ- | |||
| ITEM | နည်းပညာဆိုင်ရာ ကန့်သတ်ချက်များ | တန်ဖိုး | |
| 1 | လျှပ်စစ်အဆင့်သတ်မှတ်ချက် | 5(2)A/10A/16(3)A/21(8)A 250VAC | |
| 2 | ဆက်သွယ်ရန် ခုခံမှု | ≤30mΩ ကနဦးတန်ဖိုး | |
| 3 | လျှပ်ကာ ခုခံမှု | ≥100MΩ (500VDC) | |
| 4 |
Dielectric ဓာတ်အား |
အကြား မချိတ်ဆက်ထားသော terminals များ |
1000V/0.5mA/60S |
|
ဂိတ်များကြား သတ္တုဘောင် |
3000V/0.5mA/60S | ||
| 5 | လျှပ်စစ်ဘဝ | ≥50000 သံသရာ | |
| 6 | စက်ပိုင်းဆိုင်ရာဘဝ | ≥1000000 သံသရာ | |
| 7 | လည်ပတ်အပူချိန် | -25~125 ℃ | |
| 8 | Operating Frequency |
လျှပ်စစ် : 15 ပတ် စက်ယန္တရား : 60 စက်ဝန်း |
|
| 9 | Vibration Proof |
တုန်ခါမှုအကြိမ်ရေ : 10 ~ 55HZ; ပမာဏ : 1.5mm; လမ်းညွှန်သုံးခု : 1H |
|
| 10 |
Solder စွမ်းရည် 80% ကျော်နှစ်မြုပ်အစိတ်အပိုင်း ဂဟေဖြင့် ဖုံးအုပ်ထားရမည်။ |
ဂဟေအပူချိန် : 235 ± 5 ℃ နှစ်မြှုပ်ချိန်: 2 ~ 3 စက္ကန့် |
|
| 11 | Solder အပူခံနိုင်ရည် |
Dip Soldering : 260±5 ℃ 5±1S Manual Soldering : 300±5℃ 2~3S |
|
| 12 | ဘေးကင်းရေးခွင့်ပြုချက် | UL၊ CSA၊ VDE၊ ENEC၊ TUV၊ CE၊ KC၊ CQC | |
| 13 | စမ်းသပ်မှုအခြေအနေများ |
ပတ်ဝန်းကျင် အပူချိန် : 20 ± 5 ℃ နှိုင်းရစိုထိုင်းဆ: 65±5%RH လေဖိအား 86 ~ 106KPa |
|
Micro Switch Feature နှင့် Application
Micro Switch အသေးစိတ်များ
